ARG1-22K
Доступен для скачивания
краткий каталог продукции:
Переключатель ARG1-22K предназначен для коммутации электрических цепейОсобенности:
- Монтаж в плоские панели толщиной до 6 мм, фиксация стопорной гайкой
- Компактный моноблочный корпус, обеспечивающий простоту монтажа
- Два ключа в комплекте
- Выемка ключа во всех положениях переключателя
Технические характеристики:
| Параметр | Значение |
| Количество положений
| 2 или 3 |
| Контакты | 1НО+1НЗ, 2НО |
| Исполнение
| С фиксацией |
| Коммутационная способность | ~5 А, 300 В |
| Присоединение
| Винтовые клеммы
|
| Материал корпуса | Пластмасса |
| Монтаж | В отверстие панели |
| Диаметр монтажного отверстия | 22 мм |
| Толщина панели | ≤ 6 мм |
| Степень пылевлагозащиты* | IP43 |
| Габаритные размеры выступающей части | ∅30×31 мм |
| Максимальные габаритные размеры | ∅30×72 мм |
| Монтажная глубина** | 41 мм |
| Вес (без ключа) | 49 г |
* Со стороны лицевой панели.
** Без учета ответных разъемов.
Модификации:
** Без учета ответных разъемов.
| Модификация | Количество положений | Исполнение | Контакты |
| ARG1-22K2P-L110-W-K
| 2 | с фиксацией
| 1НО+1НЗ |
| ARG1-22K3P-L200-W-K | 3 | 2НО |
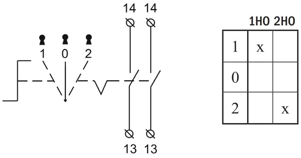
| Схема работы и подключения
|
2 положения, с фиксацией |
3 положения, с фиксацией |
| Габаритные размеры |
![]() |
| Схема установки
|
![]() |
Версия: 2024-10-17-КВА

