ARP-ERV
Доступен для скачивания
краткий каталог продукции:
Регулятор давления ARP-ERV предназначен для установки давления сжатого воздуха и поддержания его на заданном уровне с высокой точностью
Особенности:
- Может устанавливаться отдельно или в качестве модуля блока подготовки воздуха
- Высокая точность поддержания заданного давления
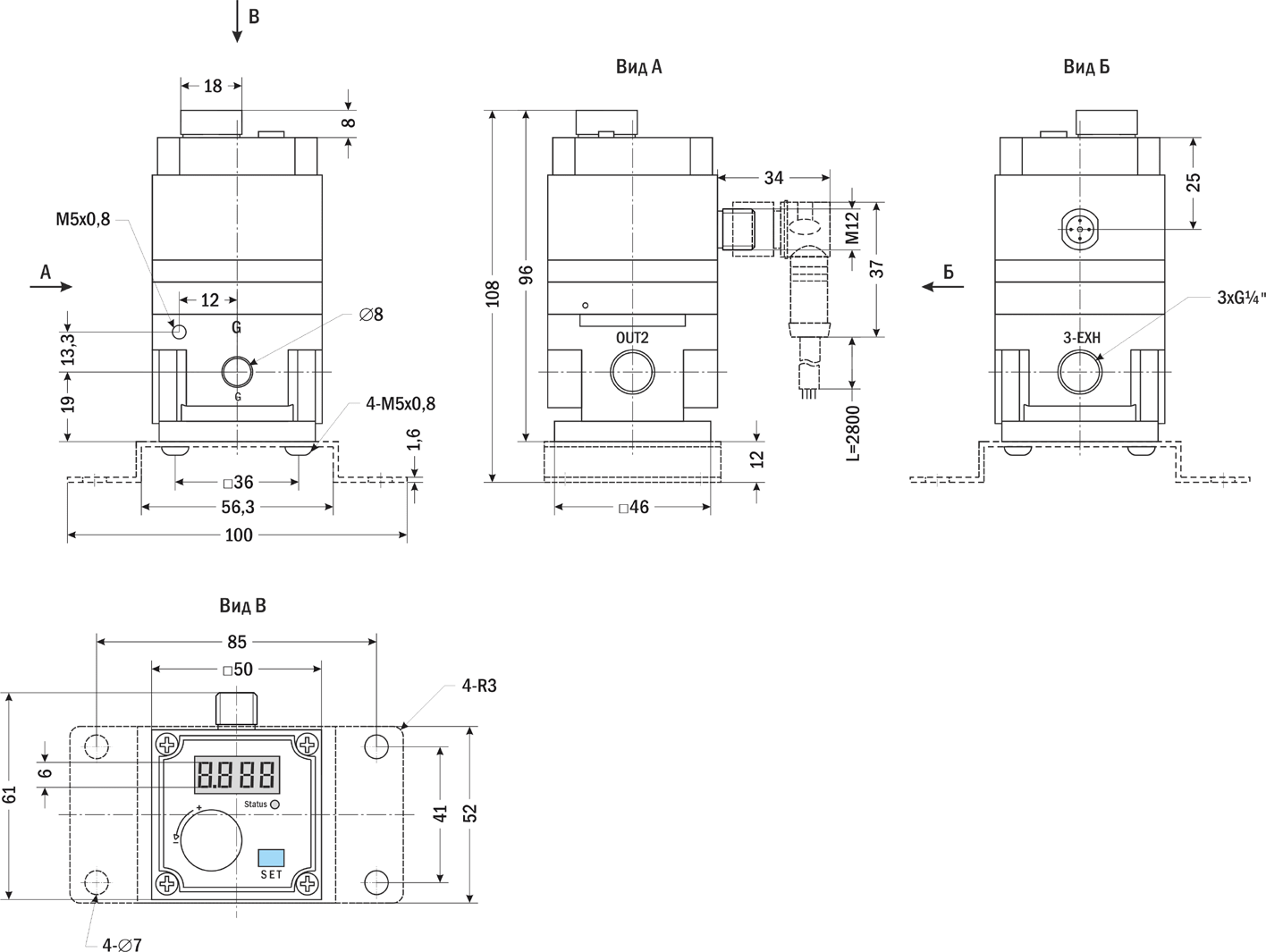
- Четырехразрядный ЖК-дисплей с высотой символов 6 мм
- Порты входа и выхода оснащены фильтрами грубой очистки
- Низкое энергопотребление
- В комплект входит кронштейн (2 типа на выбор) для крепления прибора на горизонтальную или вертикальную поверхность
- Для перехода на другие размеры резьбы используются футорки, например, VTr.581.N
Регулятор давления является следящей системой, состоящей из пневмомеханической части, контроллера и датчика давления.
Силовая пневмомеханическая часть регулятора имеет три пронумерованных на корпусе отверстия (порта): 1 – подача сжатого воздуха, 2 – канал выхода воздуха в полость с регулируемым давлением, 3 – канал сброса избытка воздуха из регулируемой полости в атмосферу.
ЖК-дисплей служит для отображения текущего давления, а также для контроля ввода параметров при его настройке
Силовая пневмомеханическая часть регулятора имеет три пронумерованных на корпусе отверстия (порта): 1 – подача сжатого воздуха, 2 – канал выхода воздуха в полость с регулируемым давлением, 3 – канал сброса избытка воздуха из регулируемой полости в атмосферу.
ЖК-дисплей служит для отображения текущего давления, а также для контроля ввода параметров при его настройке

Технические характеристики:
| Параметр | Значение |
| Рабочая среда
| Сжатый очищенный воздух
|
| Мин. давление подаваемого воздуха
| Выходное давление + 0,1 МПа
|
| Макс. давление подаваемого воздуха
| 1,0 МПа
|
| Диапазон выходного давления
| 0,0...0,9 МПа
|
| Расход воздуха
| 0,0...1000 л/мин
|
| Присоединение
| G1/4"
|
| Питание
- напряжение - ток |
=12...24 В =0,12 А |
| Температура окружающей среды
| 0...+50°С
|
| Высота символов
| 6 мм
|
| Степень пылевлагозащиты
| IP65
|
| Габаритные размеры
| 96×50×61 мм
|
| Длина кабеля
| 2,8 м
|
| Вес (без кабеля)
| 322 г
|
| Габаритные размеры
|
С кронштейном для крепления на вертикальную поверхность |
С кронштейном для крепления на горизонтальную поверхность |
Кронштейн для крепления на вертикальную поверхность |
Кронштейн для крепления на горизонтальную поверхность |
| Документ | Дата обновления |
| Паспорт на ARP-ERV | 13.12.2023 |