ARP-XY

Доступен для скачивания
краткий каталог продукции:

ARP-XY
Цена:  2289 ... 4668 руб.
Пневмораспределители ARP-XY3, -XY5, -XY7 относятся к направляющей аппаратуре и служат для управления направлением движения потоков сжатого воздуха. Управление осуществляется за счет переключения схемы соединения внутренних каналов распределителя с входными и выходными присоединительными отверстиями.
Особенности:
  • Может быть оснащен одной катушкой (моностабильный) или двумя катушками (бистабильный)
  • Три серии с разной толщиной модуля: 10, 15 и 18 мм
  • Возможность ручного переключения
  • Пониженное энергопотребление
  • Несколько пневмораспределителей могут быть объединены в один блок
  • Возможность установки на монтажные плиты:
    – ARP-MXY3 (для ARP-XY3)
    – ARP-MXY5 (для ARP-XY5)
    ARP-MXY7 (для ARP-XY7)
Описание прибора: Для управления пневмоцилиндрами двустороннего действия применяют пневмораспределители типа 5/2 (5-линейные, 2-позиционные), имеющие 5 каналов ввода-вывода и 2 положения золотника.
Моностабильный: в исходном положении воздух подается через порт питания P на рабочий порт А, при этом рабочий порт В соединен с портом выхлопа S. При подаче питания на катушку порт питания Р переключается на рабочий порт В, а рабочий порт А соединяется с портом выхлопа R. При снятии питания золотник возвращается в исходное положение.
Бистабильный: при подаче питания на первую катушку воздух подается через порт питания P на рабочий порт А, при этом рабочий порт В соединен с портом выхлопа S. При снятии питания золотник остается в том же положении. При подаче питания на вторую катушку порт питания Р переключается на рабочий порт В, а рабочий порт А соединяется с портом выхлопа R. При снятии питания золотник остается в том же положении.

Технические характеристики:
Параметр
ARP-XY3
ARP-XY5
ARP-XY7
Тип распределителя
5/2 (5-линейный, 2-позиционный)
Рабочая средаОчищенный воздух (тонкость очистки 40 мкм)
Рабочая температура−10...+50°С
Рабочее давление0,15...0,7 МПа
Пропускная способность
180 л/мин610 л/мин
810 л/мин
Порт питания, рабочий портM5
G⅛"
G¼"
Порт выхлопаG⅛"
Максимальная частота срабатывания10 Гц
5 Гц
5 Гц
Катушка
AR-XY-10A, 1 Вт (DC), IP65
Питание=24 В, =12 В
Наработка на отказ≥ 30 млн циклов

Модификации:
Модель
Тип
Пневматическая
схема
Присоединение
Толщина модуля, мм
Габаритные размеры, мм
Порт питания, рабочий порт
Порт выхлопа
ARP-XY31
моностабильный
M5M51031×77×11,5
ARP-XY51
G⅛"
G⅛"1532×95×16,5
ARP-XY71
G¼"G⅛"1835×115,5×20
ARP-XY32бистабильный
M5M51031×110×11,5
ARP-XY52G⅛"G⅛"1531,5×125,5×16,5
ARP-XY72G¼"G⅛"1834,5×142×19,5

Форма заказа ARP-XYab-c-d:
Позиция
Название позиции
ОбозначениеРасшифровка
a
Серия
3
Толщина модуля 10 мм
5
Толщина модуля 15 мм
7
Толщина модуля 18 мм
b
Управление
1
Одностороннее
(одна катушка, моностабильный)
2
Двустороннее
(две катушки, бистабильный)
c
Присоединение (рабочий порт)
М5
М5
G1/8
G⅛"
G1/4G¼"
d
Питание
24
=24 В
12
=12 В
Расшифровка обозначения на примере пневмораспределителя ARP-XY51-G1/8-24:
ARP-XY – модель пневмораспределителя.
5 – серия (толщина модуля 15 мм).
1 – одна катушка.
G1/8 – присоединение рабочего порта G⅛".
24 – питание =24 В.

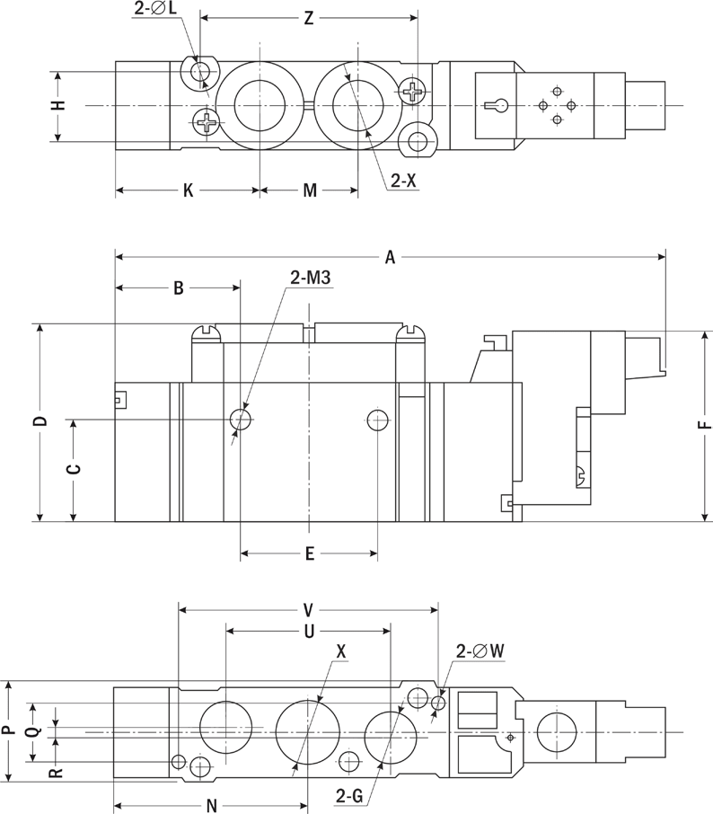
Габаритные размеры

Моностабильный ARP-XY31, -51, -71
Размеры, мм
Модель
ARP-XY31
ARP-XY51
ARP-XY71
A 77 95 115,5
B 17,5 20 29,5
C 4 16,5 7,2
D 22 32,5 40
E 10 22,5 20
F 31 32 35
G М5 G⅛"
G⅛"
H 9 11,5 14
K 17 24,5 31
X М5 G⅛"
G¼"
∅L 2 3 4
M 10,5 16,5 19
N 22,5 32,5 39,5
P 11,5 16,5 20
Q 6 10 12
R 2 1,5 1,5
U 19,5 27 36
V 25 43 51
∅W 1,5 2 2
Z 21 37 42
Вес, г 50 67 101

Габаритные размеры

Бистабильный ARP-XY32, -52, -72
Размеры, мм
Модель
ARP-XY32
ARP-XY52
ARP-XY72
A110125,5142
B50,54550
C415,57
D2232,540
E92220
F3131,534,5
GМ5G⅛"G⅛"
H81213,5
K49,553,551,5
XМ5G⅛"G¼"
∅L234
M101619
N4461,570,5
P11,516,519,5
Q5,59,512
R1,522
U19,52736
V254351
∅W122
Z213641,5
Вес, г6583118

Версия: 2022-12-22-ЛВС
Документ Дата обновления
Паспорт на ARP-XY 01.11.2025